陸稲「戦捷」のいもち病圃場抵抗性QTL領域の作用力


[要約]
陸稲「戦捷」のいもち病圃場抵抗性に関するQTL領域は4ヶ所である。検出されたQTL領域を独立に有する「ミネアサヒ」同質遺伝子系統のうち、第4染色体のG271領域を保有する系統の葉いもち圃場抵抗性は極強く、従来の日本型水稲にはない抵抗性強度を持つ。

[キーワード]イネ、陸稲、戦捷、いもち病圃場抵抗性、同質遺伝子系統

[担当]愛知農総試・山間農研・稲作グループ
[連絡先]電話0536-82-2029
[区分]関東東海北陸農業・関東東海・水田畑作物
[分類]科学・参考

[背景・ねらい]
 安全・安心な米作りのためにイネのいもち病圃場抵抗性の向上が急務となっている。そこで、日本型水稲に比べ、いもち病圃場抵抗性に優れる陸稲「戦捷」のQTLを検出し、QTL領域以外の遺伝的背景をいもち病に弱い「ミネアサヒ」に置換した同質遺伝子系統を用いて、QTL領域のいもち病圃場抵抗性への作用力を既知の基準品種と比較する。

[成果の内容・特徴]
1. 陸稲「戦捷」のいもち病圃場抵抗性に関するQTL領域は4ヶ所である(図1)。
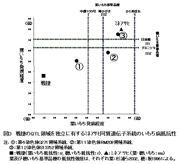
2. 解析の進んでいる3つのQTL領域について、それぞれの領域を独立に有する同質遺伝子系統を用いて葉いもち検定を行った結果、葉いもち抵抗性には大きな差異が認められ、その抵抗性強度はG271領域>RM209領域>S13752領域の順である(図23)。
3. これらの同質遺伝子系統は、穂いもちに関しても抵抗性を発現し、その強度は葉いもち抵抗性同様、G271領域>RM209領域>S13752領域の順である(図3)。
4. 抵抗性既知の基準品種との比較により、G271領域のQTLはミネアサヒの葉いもち抵抗性を極強、穂いもち抵抗性は強~やや強にする作用力を持つ。RM209領域のQTLはミネアサヒの葉及び穂いもち抵抗性を中~やや強程度、S13752領域のQTLについては中~やや弱程度にする作用力を持つ(図3)。
5. 特にG271領域の葉いもち抵抗性は、既知の日本型水稲にはない強度であることから遺伝子源としての価値は高い。

[成果の活用面・留意点]
1. 育種利用には、より遺伝子近傍のDNAマーカーを検索する必要がある。
2. 各領域について不良形質の連鎖の有無や遺伝子の集積効果の検討が必要である。


[具体的データ]


[その他]
研究課題名:DNAマーカーを利用した陸稲「戦捷」のいもち病圃場抵抗性遺伝子導入同質遺伝子系統の育成
予算区分:国費委託(DNAマーカー)
研究期間:2004~2006年度
研究担当者:坂紀邦、加藤恭宏、遠藤征馬、福岡修一(生物研)、工藤悟
発表論文:1)加藤ら(2002)育種学研究4:119-124
     2)Saka et al. (2002) 3rd International Rice Blast Conference Abstracts: 56.
     3)Saka et al. (2004) World Rice Research Conferenace 2004 Abstract: 637.

目次へ戻る