水稲直播栽培における各種被覆尿素の溶出


[要約]
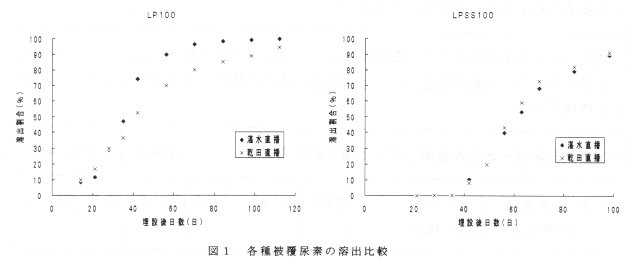
水稲直播栽培において2種類の被覆尿素の溶出を比較すると、放物線タイプでは、乾田直播が湛水直播より土壌水分や地温の影響で遅れ、溶出割合に最大20%の差が生じる。シグモイドタイプでは両播種様式とも同等の溶出となる。
 山口県農試・土壌肥料研究室、同・普通作物研究室
[連絡先] 0839-27-0211
[部会名]生産環境(土壌肥料)、総合研究
[専  門]肥料
[対  象]稲類
[分  類]研究

[背景・ねらい]
 水稲栽培の省力栽培法として湛水直播、乾田直播等の直播技術があるが、この栽培体系を確立するためには、より省力的な施肥技術が必要である。
 肥効調節型肥料を播種時に全量基肥施用する方法は、簡便で省力的であるため、各播種様式に適する肥料の種類と組み合わせ、及び施肥量を明らかにする。

[成果の内容・特徴]

 試験場内の圃場(礫質灰色低地土、作土の土性L)で、湛水直播・乾田直播栽培について2種類の被覆尿素を組み合わせた全量基肥施肥法の試験を行い、地表下5cmに埋設した各被覆尿素ごとのそれぞれの播種様式における溶出と、水稲の窒素吸収を調査した。
  1. 乾田直播区に埋設した放物線タイプの被覆尿素(LP100)の溶出は、湛水直播区のそれに対し、土壌水分や地温(表1)の影響で遅れ、溶出割合に最大20%の差が生じる。溶出割合が80%以上のになるのは埋設後70日である(図1)
  2. 乾田直播区と湛水直播区に埋設したシグモイドタイプの被覆尿素(LPSS100)は、土壌水分や地温(表1)の影響が小さく、同等の溶出である(図1)
  3. 各種被覆尿素を組み合わせた試験区の中で最も収量が高かった、LP100+LPSS100 区(表2)について、1.、2.の結果より、施肥窒素供給シミュレーションを作成すると、乾田直播区では湛水直播区に比べ、生育後半に窒素供給量が多くなる(図2)。しかし、圃場での水稲の窒素吸収量は、乾田直播が生育初期から中期に多く、後期にはほぼ湛水直播と同等となる(図3)。これは、両者で地力窒素の発現や、施肥及び地力窒素の利用率が異なるためと考えられる。

[成果の活用面・留意点]

 この成果は乾田期間の土壌水分や漏水に大きな変化がなければすべての土壌に適応できるが、この条件が大きく変わる土壌では、再調査する必要がある。

[その他]
 研究課題名:水稲直播を基幹とした野菜・麦類の輪作技術体系化実証試験
 予算区分  :国補
 研究期間  :平成8年度(平成6年~10年)
 研究担当者:久保喜昭、中司祐典
 発表論文等:なし

目次へ戻る