ササユリ球根の球周が開花に及ぼす影響


[要約]
紀伊半島に自生するササユリを組織培養により増殖し、1ないし2作養成した球根を定植することにより開花がみられる。その際、球周10cm以上の球根を用いることでより安定した開花が得られる。
和歌山県暖地園芸センター・園芸部・育種部
[連絡先]  0738-23-4005
[部会名]  野菜・花き(花き)、生物工学
[専 門]    栽培
[対 象]   花き類
[分 類]   指導

[背景・ねらい]
 ササユリは、中山間地域のふるさと産品としての利用を考える上で、安定した切り花生産が望まれている。そのため、紀伊半島に自生するササユリを組織培養により増殖し、1ないし2年養成した球根を用い、定植時のササユリ球根の大きさと開花の可能性の関係を明らかにし、安定した生産を目指す。

[成果の内容・特徴]

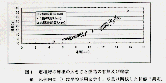
  1. ササユリ球根の球周と球重には相関係数0.978で正の相関がみられる(図1)。しかし、球重を測定するには断根しなければならないため、球根の大きさは球周を用いる。
  2. 紀伊半島に自生するササユリを組織培養により増殖し、得られた球根を1ないし2作養成した後、大きさ別に栽培した。その結果、8cm球根を定植した場合、その発蕾率は71.7%と低いが、10cm球根を定植することで96.6%、13cm球根を定植することで100%と、定植時の球周が大きいほど安定した開花が見られる(表1)。
  3. 定植時の球周が10.5~12.0cmの球根について、培養後1作養成した球根と2作養成した球根をそれぞれ1月定植の作型で栽培し比較した結果、両区において発芽率、開花率とも100%になる(表2)。
  4. ササユリの栽培において、定植時の球周が10cm以上の球根で安定した開花がみられる。また、球周12cm以上の球根では2輪咲きの個体もみられ(図1)、定植時の球根の球周は開花を予測する上での指標となる。

[成果の活用面・留意点]

  1. 紀伊半島に自生するササユリを組織培養により増殖した球根を用いた栽培において、定植時の球根の球周は開花を予測する上での指標となり、ササユリの産品化に利用できる。
  2. 産地間で開花球の指標となる球周に差が出ることが考えられる。

[その他]
研究課題名 : 中山間地域活性化のための山野植物資源の園芸化及び利用技術の確立
予算区分   : 地域重要新技術(協力機関:和歌山県農業協同組合連合会)
研究期間   : 平成9年度(平成7年~10年)
研究担当者 : 岡室秀作、宮本芳城
発表論文等 : ササユリ球根の低温処理期間が発芽・開花に及ぼす影響,平成9年度 園芸学会近畿支部 和歌山大会 研究発表要旨及びシンポジウム要旨,1997
目次へ戻る