茶園における土壌バイオマス窒素の代謝回転速度


[要約]
茶園土壌のバイオマス窒素がすべて代謝(更新)されるまでに要する時間(代謝回転速度)は、牛糞堆肥連用土で約1.2年である。この速度は堆肥を連用することで速まり、深さ10cmまでのバイオマスから年間3.6kg/10aの窒素が供給される。
滋賀県茶業指導所
[連絡先] 0748-62-0276
[部会名] 茶業
[専門]    土壌
[対象]    工芸作物類
[分類]    研究

[背景・ねらい]
 茶樹は肥料として施用された養分のほかに、土壌微生物によって土壌から供給される養分を吸収している。幼茶樹による試験では、吸収された窒素の約50%が土壌窒素に由来していた。このように、茶樹の生育にとって重要な役割を果たしている土壌微生物の働きを有効に活用することで、地力を活かした持続的で生産性の高い茶栽培が可能となる。
 そこで、強酸性を呈し多様な有機質肥料が施用されて、特有の微生物相が形成されていると推察される茶園土壌において、物質循環制御の鍵を握る土壌バイオマスの定量とその代謝回転速度を測定した。

[成果の内容・特徴]

  1. 土壌は5年にわたり牛糞堆肥を年間2000kg/10a連用している茶園土壌(赤黄色土)と、同一のほ場で有機物を全く施用していない土壌を用いて、堆肥の連用を続けた場合、有機物が施用されていない土壌に牛糞堆肥を施用した場合、有機物無施用を続けた場合の土壌バイオマス窒素(以後、バイオマス窒素)の半減期を測定し代謝回転速度を算出した。
  2. バイオマス窒素は、堆肥連用土壌が有機物無施用土壌に比べ1.5~2.9倍大きくなり、高い水準で安定する。一方、有機物無施用土壌に堆肥を施用した場合は、堆肥施用後一時的にバイオマス窒素が増加するがその後減少する(図1)。
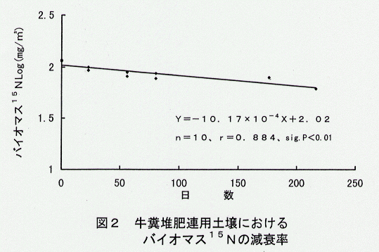
  3. 堆肥の連用を続けた場合、バイオマス窒素の半減期は296日で代謝回転速度は1.17年となる(図2)。
  4. 有機物無施用土壌に堆肥を施用した場合、バイオマス窒素の半減期は386日で代謝回転速度は1.53年となる(図3)。
  5. 有機物無施用を続けた場合、バイオマス窒素の半減期は445日で代謝回転速度は1.76年となる(図4)。
  6. 以上のように、堆肥の連用によってバイオマスが大きくなり、バイオマス窒素の代謝回転速度は、堆肥の連用を続けた場合が単年の施用に比べ1.3倍、無施用に比べ1.5倍速くなる。10a当り深さ10cmまでの土壌バイオマスから、年間に堆肥の連用を続けた土壌では3.6kg、堆肥の単年の施用土壌では1.7kg、有機物無施用土壌では1.3kgの窒素が供給される。

[成果の活用面・留意点]

茶園以外の代謝回転速度は陸稲作の畑地で約0.5年、牧草地で1.8年である。土壌バイオマスの増加には炭素源となる堆肥等の有機物の施用が必要であり、易分解性有機物を適量施用することで、代謝回転速度は速まる。

[その他]
研究課題名 : 茶園土壌におけるバイオマスの代謝回転速度
予算区分    : 県単
研究期間    : 平成10年度(平成8~9年)
研究担当者 : 志和将一、丸本卓哉(山口大学農学部)
発表論文等 : 茶園土壌におけるバイオマス窒素の代謝回転速度、茶業研究報告、第87号(別冊)、84-85、1998.
目次へ戻る