水稲不耕起乾田直播栽培における播種前の雑草防除の省略


[要約]
水稲不耕起乾田直播栽培の除草体系において、播種後~水稲出芽前の土壌処理剤と非選択性の茎葉処理剤の同時処理により、冬雑草を主対象とする播種前1~2回の除草剤散布が省略できる。
兵庫県立中央農業技術センタ-・農業試験場・酒米試験地
[連絡先] 0795-42-1036
[部会名] 作物生産(育種・栽培)
[専門]    雑草
[対象]    稲類
[分類]    研究

[背景・ねらい]
 水稲不耕起乾田直播栽培において、温暖地では冬雑草の発生が多く、播種作業に支障がないよう播種前に1~2回の除草剤散布が行われているが、除草剤散布回数が多くなることが本栽培法の普及の阻害要因の1つとなっている。近年、開発されている播種機は、雑草がかなり繁茂した中でも播種精度が劣ることは少ない。そこで、播種前の除草を省略し、既に葉令の進んだ夏雑草に対しては播種後の同時処理を主体に合理的な除草体系を確立して、全体の除草剤散布回数を削減する。

[成果の内容・特徴]

  1. 冬雑草を対象とする播種前の除草剤散布を省略し、播種後~水稲の出芽始めまでに、非選択性の茎葉処理剤とベンチオカ-ブ等の土壌処理剤の同時処理を行うことにより、水稲に対する薬害もなく、既生雑草の防除と播種後の初期除草をあわせ行うことが可能である(表1)。その後に発生する雑草に対して、シハロホップブチルもしくは必要に応じてベンタゾン等を加えて処理を行う。
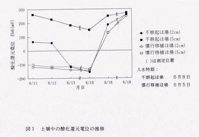
  2. 約1ヶ月後の入水により、前作の稲わらに加えて冬雑草の残さが分解し始めるが、土中の還元程度は耕起栽培より少なく(図1)、水稲は既に4~5葉期に達しており、水稲に対する影響はほとんど認められない。

[成果の活用面・留意点]

  1. 水稲出芽までの防除時期は遅いほど効果が高いが、時期を失しないように留意する。
  2. 種々の非選択性除草剤と土壌処理剤の混用処理の可否は検討を要する。
  3. 処理時期の限界(水稲の出芽の程度)を明確にする必要がある。

[その他]
研究課題名 : 酒米改良試験「山田錦」の低コスト生産技術の確立
予算区分    : 県単経常
研究期間    : 平成10年度(平成8~10年度)
研究担当者 : 世古 晴美、池上 勝  
発表論文等 : なし
目次へ戻る