ササユリの開花調節技術


[要約]
ササユリの球根冷蔵により、抑制開花として7月上旬から11月上旬まで、また、早期保温により、促成開花として5月上旬から開花させることができる。
奈良県農業試験場・山野植物プロジェクトチーム
[連絡先] 0744-22-6201
[部会名] 野菜・花き(花き)
[専門]    栽培
[対象]    花き類
[分類]    普及

[背景・ねらい]
 西日本に自生しているササユリは、 姿や香りが良い貴重な山野植物資源であり、中山間花き生産の新産品としての利用が考えられ、 実生や組織培養により球根が養成されている。しかし、園芸利用のためには開花期間の延長が必要であるが、まだ開花調節技術は確立されていない。そこで、球根の出庫日と開花日の関係を明らかにすることにより、抑制および促成開花技術を確立する。

[成果の内容・特徴]

  1. 播種後4年間養成した重さ10g以上の開花可能な球根を用い、12月上旬から冷蔵処理を開始し、冷蔵温度は3~3.5℃に管理する。
  2. 奈良県の平地では、ササユリは4月に萌芽し、51日後の6月10日前後に開花する。抑制開花を目指す場合は、5月中旬から6月上旬に冷蔵した球根を出庫し定植すると、開花までに35~43日を要し、7月上旬に開花する。6月中旬出庫では33日後の7月中旬に、7月上旬出庫では32日後の8月上旬に、7月中旬および8月下旬出庫では34日後の8月中旬と9月下旬に、9月中旬出庫では48日後の11月上旬にそれぞれ開花する(図1)。
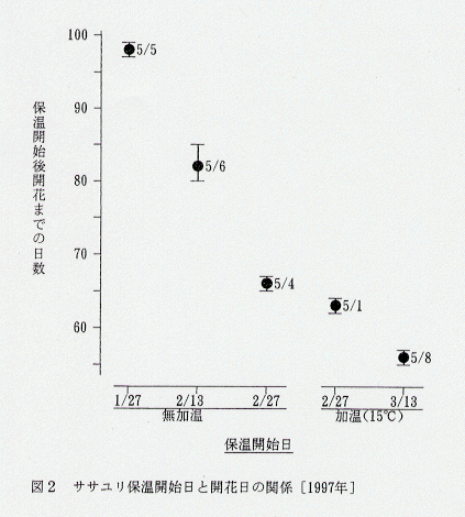
  3. 促成開花を目指す場合は、1月下旬に出庫し無加温ガラス室に定植すると、開花までに98日、2月中旬出庫では82日後、2月下旬の出庫では66日後の5月上旬にそれぞれ開花させることができ、出庫が遅く冷蔵期間が長いほど開花までの期間は短くなる(図2)。
  4. 出庫後加温ガラス室(15℃)に定植の場合、2月下旬出庫では63日後の5月上旬に、3月中旬出庫では57日後の5月上旬にそれぞれ開花させることができ、無加温の場合より若干早期開花が可能になる(図2)。

[成果の活用面・留意点]

  1. 球根の低温処理と早期保温により、開花時期が任意にコントロールでき、出荷の調節が容易になる。
  2. 5月までの促成開花を目指す場合は、球根の冷蔵処理を早め処理期間を長くする必要がある。

[その他]
研究課題名 : 中山間地域活性化のための山野植物資源の園芸化及び利用技術
予算区分    : 地域重要新技術
研究期間    : 平成10年度(平成7~10年)
研究担当者 : 荒井 滋、今村 有里、 佐々木 茂
発表論文等 : なし
目次へ戻る