太陽光発電による農業用ハウスの冷暖房


[要約]
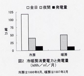
太陽電池発電量は日射量に比例し、日射量の約10%を電力に変換できる。8月の全日冷房ではハウス面積の8.8倍の太陽電池面積が、夜間冷房では同3.7倍が、2月の夜間暖房では同4.4倍が必要である。
兵庫県立淡路農業技術センター・農業部
[連絡先] 0799-42-4880
[部会名] 野菜・花き(花き)
[専門]    資源利用
[対象]    花き類
[分類]    指導

[背景・ねらい]
 化石燃料による地球温暖化、酸性雨などの環境悪化防止は世界的な重要課題である。そこで、クリンエネルギーである太陽光発電の普及啓蒙を図り、農業生産における利用場面を検討する目的で、平成4年度からNEDO(新エネルギー・産業技術開発機構)の「公共施設等太陽光発電フィールドテスト事業」を開始し、太陽光発電設備の発電能力を調べるとともに、ガラスハウスの冷暖房電源に利用する。 

[成果の内容・特徴]

  1. 平成5年3月に発電能力25.2kW、受光面積201.6㎡、南向き30度の角度で太陽光発電設備を設置し、空冷式ヒートポンプによる50㎡2室のガラスハウスの冷暖房電源に利用した。当設備では蓄電装置をもたず、電力不足時および夜間には電力会社の電力を用い(系統連係)、余剰が生じた場合には電力会社に販売(逆潮流)した。
  2. 太陽電池による発電量は日射量と高い正の相関が認められ、日射量の約10%を電力に変換することができる。4年間平均の年間発電量は140kWh/㎡、1日当たりでは0.4kWh /㎡である。
  3. ガラスハウスの8月の冷房では、全日冷房(昼間25℃、夜間15℃)で118kWh/㎡/月、夜間冷房(昼間自然、夜間15℃)で40kWh/㎡/月の電力を消費し、それらを太陽光発電で供給するには、ハウス面積の8.8倍と3.7倍の太陽電池面積が必要である。
  4. 2月の夜間暖房(13℃)では50kWh/㎡/月の電力を消費し、それには4.4倍の太陽電池面積が必要である。

[成果の活用面・留意点]

  1. 平成4年当時の太陽光発電設置経費は発電能力1kW当たり約350万円で、発電コストは1kWh当たり約300円(系統電力の約20倍)である。
  2. ガラスハウスの冷暖房消費電力は、外部遮光、内張りカーテン等の設置で1/2程度にまで削減できる。
  3. 塵、埃の洗浄等のメンテナンスは不要である。
表1図1図2 [具体的データ]

[その他]
研究課題名 : 公共施設等太陽光発電フィールドテスト
予算区分    : NEDO、県単
研究期間    : 平成4~8年度
研究担当者 : 宇田 明、山中正仁、福嶋啓一郎
発表論文等 : 太陽光発電による農業用ハウスの冷暖房、近畿中国農研97、1999.
目次へ戻る