ナシの早期更新のための周年接ぎ木法


[要約]
ナシの接ぎ木は、新梢への切り接ぎと側枝基部への腹接ぎを組み合わせることにより、周年行うことができる。労力に余裕がある時期に接ぎ木を行い、早期に品種更新することが可能である。
鳥取県園芸試験場・果樹研究室
[連絡先] 0858-37-4211
[部会名] 果樹
[専 門] 栽培
[対 象] 果樹類
[分 類] 普及

[背景・ねらい]
 鳥取県では「二十世紀」を黒斑病耐病性の「ゴールド二十世紀」に早期更新することが産地の最重要課題となっている。そこで、大面積の接ぎ木更新を短期間に実施する方法を確立するため、ナシの周年接ぎ木法の検討を行う。

[成果の内容・特徴]

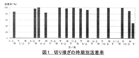
  1. 新梢への切り接ぎ、および側枝基部への腹接ぎでは、接ぎ木時期に関係なく概ね80~90%が活着し、労力に余裕がある時期にいつでも接ぎ木を行うことができる(図1)。
  2. 接ぎ木時期が6月以降になると、穂木からの新梢伸長量は短くなるが、翌年の伸長は良好である(表1)。
  3. 穂木は3月~6月接ぎの場合は、休眠枝にロウづけをして3℃の冷蔵庫に保存したものを使用し、7月~翌年の2月までは新梢をそのまま使い、切り口に接ぎ木テープを巻いて乾燥を防ぐ。

[成果の活用面・留意点]

  1. 本試験は穂品種として「寿新水」を使った試験であるが、ナシ全般の品種に適用できると考えられる。
  2. 接ぎ木をした穂木の乾燥防止の程度が、接ぎ木後の活着に大きく影響するため、接ぎ木部分が外気と接触しないよう、ていねいに接ぎ木テープを巻く。
  3. この周年接ぎ木法は、側枝等の比較的若い枝に接ぎ木を行う場合のみ適用でき、成木の亜主枝等に行う腹接ぎは含まない。

[その他]
研究課題名:鳥取県特産青ナシのブランド化高度安定技術の確立
予算区分 :県単
研究期間 :平成10年度(平成7~11年)
研究担当者:戸板重則、北川健一、村田謙司
発表論文等:なし

目次へ戻る