[成果情報名]

使いやすい法人経営診断支援システム

[要約]従来の分析に加えて、「TKC経営指標」(TKC全国会発刊)との比較を可能にした「使いやすい法人経営診断支援システム」を開発した。投資計画や売上予測ができるとともに、経営状態を点数化することで、経営目標に対する到達状況の把握も可能である。
[キーワード]法人経営、診断システム、投資計画、売上予測、経営目標
[担当]岡山農総試・経営研究室
[連絡先]0869‐55‐0546
[区分]近畿中国四国農業・情報研究、農業経営
[分類]技術・普及

[背景・ねらい]
 現在、法人経営の診断が簡単にできるシステムがない。また、岡山県下の普及員のアンケートからは、経営診断の指導において「設備投資の経済分析」や「生産性及び収益性の分析」の難しさが指摘されている。そこで、普及員が苦労している分析項目も容易に診断できるシステムを開発する。

[成果の内容・特徴]

  1. 本システムはVBA(Visual Basic for Applications)を用いて、Microsoft Excel上で動作する対話式の財務分析システムである。そのため、誰にでも簡単に農業経営の分析や診断が可能である。
  2. 本システムは、基本入力と分析入力から構成される。基本入力では、財務諸表(貸借対照表、損益計算書、製造原価明細書)のデータを入力すれば、成長性・収益性・採算性・安全性・生産性についての合計102の分析指標によって診断できる(図1)。
  3. 分析入力では、普及員からの要望が高く、他のソフトにあまり付加されていない投資分析と損益分岐点のシミュレーションのシステムを追加した。投資分析では、現金利益、回収可能投資額、回収期間の3項目の分析が、損益分岐点のシミュレーションでは予定利益、必要売上高、価格変動時の損益分岐点、月商倍率による借入限度額、投資後の損益分岐点のシミュレーションが、それぞれ可能である。
  4. 税理士団体(TKC全国会)の公表する信頼性の高い「TKC経営指標」との比較を可能にしたため、全国レベルの比較診断が可能である。
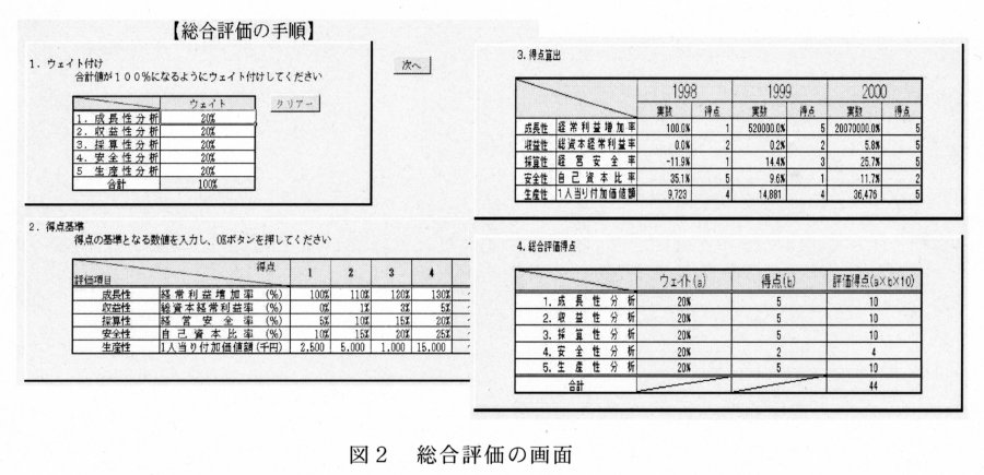
  5. 分析指標の内容が十分に理解できない場合でも、経営主が目標とする経営内容を設定すれば、現在の経営状態が点数によって表示され、経営バランスの総合評価や目標への到達状況の把握が可能である(図2)。

[成果の活用面・留意点]

  1. 本システムは、財務諸表さえあれば一般の家族経営の診断にも利用できる。
  2. 本システムでの経営目標に対する到達状況の点数は、目標設定の仕方によって変わる。そのため、より実態に近い評価をするためには、対象とする経営の形態や発展段階、及び経営主の意向に十分留意しながら設定する必要がある。
  3. 「TKC経営指標」は、作目ごとの経営指標値だけであるため、品目ごとの比較診断はできない。

[具体的データ]

図1

図2


[その他]
研究課題名経営体育成に対応した経営計画作成支援ソフトウェアの開発
予算区分県単
年度2000~2002年度
研究担当者古川満
発表論文等なし

目次へ戻る