[成果情報名]

ウーロン茶抽出滓添加土壌における硝酸態窒素の動態

[要約] 土壌中の硝酸態窒素は、ウーロン茶抽出滓を添加すると土壌水分が最大容水量の60%では有機化、最大容水量では有機化及び脱窒により減少する。硝酸態窒素5mgを低減する茶滓量は、最大容水量の60%では乾物1g、最大容水量では0.1gである。
[キーワード]ウーロン茶抽出滓、硝酸態窒素低減、有機化、脱窒、土壌水分
[担当]和歌山県農総セ農試・環境部
[連絡先]電話0736-64-2300、電子メールmorisita_t0002@pref.wakayama.lg.jp
[区分]近畿中国四国農業・生産環境(土壌・土木・気象)
[分類]科学・参考

[背景・ねらい]
 施設における周年野菜産地では、多施肥、有機質資材の多投入により硝酸態窒素の過剰集積が多くみられる。除塩対策としての緑肥栽培は長期間を要し、湛水処理には地下水汚染等の問題がある。一方、県内では、食品加工場からのウーロン茶抽出滓(以下茶滓)等の排出量が多く、有効利用が望まれている。そこで、茶滓の窒素取り込み機能を利用した土壌中硝酸態窒素の低減技術をインキュベート試験により検討した。

[成果の内容・特徴]

  1. 土壌水分を最大容水量の60%とした場合、土壌中硝酸態窒素は、茶滓(T-N3.46%、C/N比13.9)添加量の増加に伴い減少し、30℃条件下では添加3日後に最も少なくなり以降徐々に増加する(図1)。アンモニア態窒素は、硝酸態窒素の増加初期に3~6mg/100g前後みられる(データ省略)。硝酸態窒素は、茶滓乾物1g当たり約5mg減少する。
  2. 土壌水分を最大容水量とした場合、土壌中硝酸態窒素は、茶滓添加量に対応して減少するが、その後の増加はみられず一定で推移する(図1)。アンモニア態窒素は、全期間ほとんどみられない(データ省略)。硝酸態窒素は、茶滓乾物0.1g当たり約5mg減少する。
  3. 硝酸態窒素は、土壌水分が最大容水量の60%では茶滓添加量に対応して有機化し、残りは無機態で残存する。30日後には、有機化した窒素の再無機化がみられる。最大容水量でも、硝酸態窒素は茶滓添加により有機化するが、残りは無機態では存在せず脱窒する(図2)。
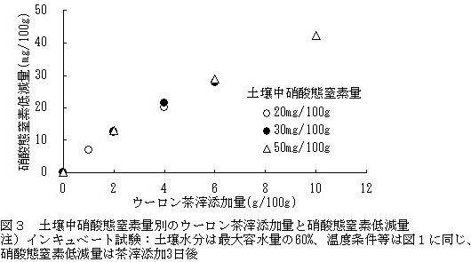
  4. 土壌水分を最大容水量の60%、土壌中硝酸態窒素含量を20~50mg/100gとした場合、硝酸態窒素低減量は、茶滓1g当たり約5mgとほぼ一定である(図3)。

[成果の活用面・留意点]

  1. 作付け前において、土壌中の過剰な硝酸態窒素の低減技術として利用できる。
  2. 煎茶滓やその他の有機物では、硝酸態窒素低減量及び再無機化パターンが異なるため検討が必要である。

[具体的データ]



[その他]
研究課題名中山間地域におけるクリーンエネルギーを利用した野菜の省力安定生産技術
予算区分国補(地域基幹)
研究期間2001~2005年
研究担当者森下年起、藪野佳寿郎

目次へ戻る