香川県におけるコシヒカリ1等米生産のための適正出穂期の把握

[要約]
 
コシヒカリの品質面での地域特性メッシュ気候値を用いて解析した。コシヒカリの1等米を生産するために、最適な出穂後30日間の積算温度は750~770℃であった。また、1等米をある程度確保できる積算温度として790℃を仮定した場合の地域ごとの適正な出穂期のメッシュ図を作成した。
香川県農業試験場・作物担当
[連絡先]087-889-1121
[部会名]水田畑作・生産環境
[専門]品質
[対象]稲類
[分類]指導

[背景・ねらい]

香川県のコシヒカリは幅広い作期において栽培されており、作期によって登熟期の気温が異なるため生理的に品質に違いが生じる。市場評価を高めるためには県下各地の気象に応じて登熟を適正にして品質向上を図る必要がある。そこで、香川県における気象の地域特性をメッシュ気候値を用いて解析する。特に品質低下要因が登熟期の高温障害であることから、登熟温度(出穂後30日間の積載温度)が品質に及ぼす影響を捉え、1等米生産のための最適な出穂期を把握する。

[成果の内容・特徴]
  1. 移植期による登熟温度
    平坦部における出穂後30日間積算温度は7月下旬出穂(5月上旬植に相当)は8月中旬出穂(6月中旬植に相当)に比べかなり高くなる。
    しかし、中山間部では7月下旬の出穂でも平坦部の8月中旬出穂と同じ登熟温度となり、地域による差異が認められる(図1)。
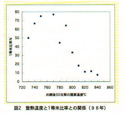
  2. 登熟温度と1等比率
    出穂後30日間積算温度750~770℃付近が1等米比率が最高となる。
    出穂後30日間積算温度800℃以上になると、1等米比率がかなり低くなる(図2)。
  3. メッシュ気候値利用による地域特性
    香川県下各地において1等米比率を生産するための、最適な登熟温度として出穂後30日間積算温度770℃未満とした場合の出穂期をメッシュ図で表現した(図3)。
    また、1等米をある程度確保できる登熟温度を出穂後30日間の積算温度790℃未満とした場合の出穂期をメッシュ図で表現した(図4)。 

[成果の活用面・留意点]

  1. 各地域におけるコシヒカリの適切な移植期を指導するための資料として利用する。

 [その他]
 
研究課題名:水稲良食味安定生産技術
予算区分  :県単
研究期間  :平成9年度(平成3~9年)
研究担当者:大川俊彦、河田光男、乙井継巳
発表論文等:香川県におけるコシヒカリ適地適作のためのメッシュ気候値利用による地域特性の把握
        日本作物学会四国支部1997年度
 
目次へ戻る