小型ロールベーラを利用する子実兼用型ソルガムの栽培およびサイレージ調製技術


[要約]
小型ロールベールに適した子実兼用型ソルガムは、播種量を6kg/10aとして茎の細化・軟化を図り、草丈200cm以下で刈り取る。サイレージ調製は原料草を中水分に予乾することにより、良質なサイレージを調整できる。また、原料草が高水分の場合にはギ酸製剤添加で品質が改善される。

徳島県畜産試験場・飼料科
[連絡先]  0886-94-2023   
[部会名] 畜産
[専門] 栽培
[対象] 飼料作物類
[分類] 普及


[背景・ねらい]
小型ロールベーラの効率的利用と自給飼料の周年供給をねらいとして、小型ロールベーラを利用する子実兼用型ソルガムの栽培、サイレージ調製およびサイレージ品質安定技術を開発する。

[成果の内容・特徴]
  1. 小型ロールベール用の栽培方法は、梅雨時期を避けて6月上旬に通常播種量の2倍の6kg/10aを散播し、茎の細化や軟化を図る。生育は発芽後約40日で草丈は180cm前後となり、収穫の作業性を考えて草丈は200cmまでに刈り取るのが望ましい。有望品種はGS401とFS一5である。(表1
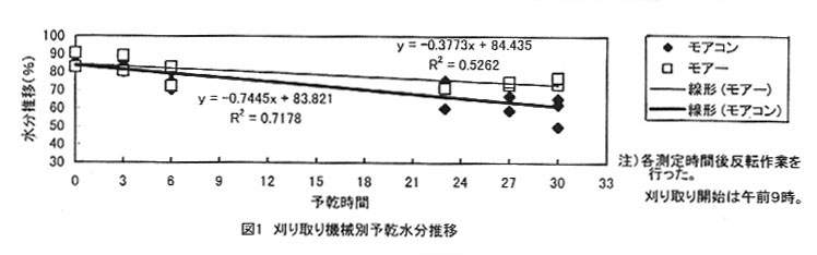
  2. 刈り取り後の水分調製は、モアコンディショナ刈りで日中3時間ごとに攪拌することにより、晴天時では約23時間で水分70%以下に予乾できる。(図1
  3. サイレージ調製は、材料草の水分は中水分(55~74%)で、ラップ巻き数3回巻きであれば90日の保存でも品質が低下しない。また、原料草が高水分(75%以上)の場合には、ギ酸製剤を添加することにより発酵品質が改善される。(表2
  4. サイレージの推定栄養価(TDN)は乾物中53.2%で、糊熟期のホールクロップサイレージ57.7%(日本飼養標準)より低いが、イタリアンライグラス再生草の開花期53.3%(日本飼養標準)に対して遜色ない。

[成果の活用面・留意点]
  1. 小実兼用型ソルガムは1番草のみの利用となるが、これと冬作(エン麦とイタリアンライグラスの混播)を組み合わせることにより、年間約3.3トン/10aの乾物収量が生産できる。これによりロールベールサイレージの周年供給が可能となる。
  2. 堆肥および窒素肥料の多量施肥は、硝酸態窒素が蓄積する可能性があるので注意する。
  3. これまで小型ロールベーラーは稲ワラの収集のみに利用されていたが、本技術に有効に利用できる。
  4. また、この技術は小規模圃場における小型ロールベール体系のみならず、中規模圃場における中型ロールベール体系にも適用できる。

[その他]
研究課題名:四国地域におけるソルガムの小型ラップサイレージ調製給与技術の開発
予算区分:国補(地域重要)
研究期間:平成8~10年度
研究担当者:福井弘之、中久保昌邦
発表論文等:徳島県畜産試験場研究報告38号(1997)、39号(1998)、40号記載予定

    目次に戻る